产品详情
简单介绍:
压差发讯器CMS,主要用于管路滤油器,基本作用是液压系统在工作过程中,油液中的杂质微粒被滤油器中滤芯所阻档,从而滤芯逐渐堵塞,产生进出油口压力差(即压力损失),当压差数值达到0.35Mpa时
详情介绍:
一、概述:
CMS压差发讯器,CMS型压差发讯器主要用于管路滤油器,基本作用是液压系统在工作过程中,油液中的杂质微粒被滤油器中滤芯所阻档,从而滤芯逐渐堵塞,产生进出油口压力差(即压力损失),当压差数值达到0.35Mpa时,发讯器一端开关接通信号报警,同时另一端目示发讯器红色按钮弹出以示报警,指示系统操作人员应及时清洗或更换滤芯,液压系统正常运行。
CMS压差发讯器,CMS型压差发讯器是将电发讯与目视发讯合为一体,即能发讯又能目视报警,因此大大了发讯器的性。安装孔中心距为3838和3038,壳体为铝合金材质也可根据客户要求订做其他材质的发讯器。可根据用户要求订制不锈钢或其他材质。
CM型压差发讯器的连接尺寸与CS-II及CS-V型相同,可用于ZU型和XU型过滤器。
CMS型压差发讯器适用场合与CM型类似,并带有目测指示,CMS-A同CMS型,但无目测指示。
CMS压差发讯器,CMS型压差发讯器主要用于管路滤油器,基本作用是液压系统在工作过程中,油液中的杂质微粒被滤油器中滤芯所阻档,从而滤芯逐渐堵塞,产生进出油口压力差(即压力损失),当压差数值达到0.35Mpa时,发讯器一端开关接通信号报警,同时另一端目示发讯器红色按钮弹出以示报警,指示系统操作人员应及时清洗或更换滤芯,液压系统正常运行。
CMS压差发讯器,CMS型压差发讯器是将电发讯与目视发讯合为一体,即能发讯又能目视报警,因此大大了发讯器的性。安装孔中心距为3838和3038,壳体为铝合金材质也可根据客户要求订做其他材质的发讯器。可根据用户要求订制不锈钢或其他材质。
如果因电器元件或线路发生生故障造成电发讯不能报警,另一端目示发讯还能准确报警,因此了发讯器的性。
二、产品特点:
CMS型压差发讯器特点:
1、功率大、动作、灵敏度高、抗震性能好。
2、在液压系统启动或瞬时流量增减时,不会发出误讯号。
3、不会因碰撞等原因导致原来设定的压差发讯值失准。
4、配有标准液压电接线插头座,安装时可根据需要,在安装平面内的四个方向上任意选择。
5、不但以开关形式发出滤芯堵塞讯号,并可以开关形式切断与液压系统相关的控制电路,达到主机和液压系统正常运行的目的。
6、交直流均可,交流电压达220V。
三、产品型号及参数:
压差发讯器工作压力32Mpa,发讯值0.35Mpa 48W,24VDC,2A ;55W,220VAC, 0.25A。
二、产品特点:
CMS型压差发讯器特点:
1、功率大、动作、灵敏度高、抗震性能好。
2、在液压系统启动或瞬时流量增减时,不会发出误讯号。
3、不会因碰撞等原因导致原来设定的压差发讯值失准。
4、配有标准液压电接线插头座,安装时可根据需要,在安装平面内的四个方向上任意选择。
5、不但以开关形式发出滤芯堵塞讯号,并可以开关形式切断与液压系统相关的控制电路,达到主机和液压系统正常运行的目的。
6、交直流均可,交流电压达220V。
三、产品型号及参数:
压差发讯器工作压力32Mpa,发讯值0.35Mpa 48W,24VDC,2A ;55W,220VAC, 0.25A。
|
型号 |
工作压力Mpa |
发讯值Mpa |
工作温度°C |
发讯器功率 |
|
CM-Ⅰ |
32 |
0.1 +0.05 |
-20~+80 |
|
|
CM-Ⅱ |
32 |
-20~+80 |
≤220V, 0.25A |
|
|
CMS |
32 |
-20~+80 |
DC: 48W, 24V, 2A |
|
|
CS-Ⅳ |
32 |
-20~+80 |
||
|
CS-Ⅴ |
32 |
-20~+80 |
||
|
CY-Ⅰ |
1.6 |
-20~+80 |
||
|
CY-Ⅱ |
1.6 |
-20~+80 |
||
|
YM-Ⅰ |
1.6 |
-20~+80 |
|
|
|
CYB-Ⅰ |
1.6 |
-20~+80 |
DC:24V, 2A |
|
|
ZS-Ⅰ |
-0.9 |
0.35 +0.05 |
-20~+80 |
DC:24V, 2A |
|
ZS-Ⅱ |
-0.9 |
-0.0045± 0.0005 |
-20~+140 |
|
|
ZKF-Ⅱ |
-0.9 |
-0.01-0.018 |
-20~+80 |
DC:24V, 2A |
CMS型压差发讯器适用场合与CM型类似,并带有目测指示,CMS-A同CMS型,但无目测指示。
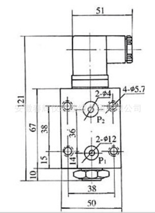
产品尺寸

四、产品照片:
CMS

















CS-III




























